Крепление Toyama T30ABMS

Крепление Toyama T30ABMS

АртикулФотоНазваниеЦенаКупить
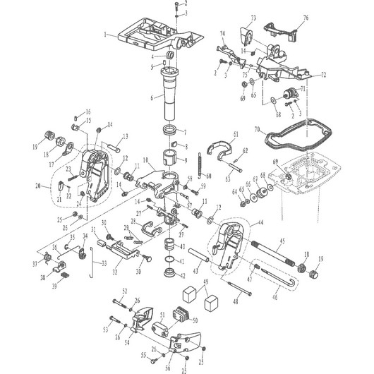
Позиция на схеме: 21Артикул: F4-01010004
Быстрый просмотр
Ручка зажимного винта Toyama TC3.6BMS, Toyama T5BMS, Toyama F5BMSЦена 135 р. В корзину
Позиция на схеме: 22Артикул: F4-01010005
Быстрый просмотр
Заклёпка рукоятки зажимного винта Toyama T5BMSЦена 45 р. В корзину
Позиция на схеме: 24Артикул: F4-01010003
Быстрый просмотр
Тарелка зажимного винта Toyama TC3.6BMS, Toyama T5BMS, Toyama F5BMSЦена 179 р. В корзину
Позиция на схеме: 46Артикул: F15-01010400
Быстрый просмотр
Шток установки угла дифферента Toyama T15BMS, T30ABMS, Toyama F15BMS, Toyama F20ABMSЦена 769 р. В корзину
Работаем с 2009 года
например, коленвал 138
847 товаров в магазине

Колл-центр

ПН-ПТ 10:00 - 18:00
СБ-ВС Выходной


время работы: ПН-ПТ 10:00 - 18:00, СБ-ВС Выходной

Меню

Каталог

Добавьте в корзину

Товар добавлен в корзину!