Головка цилиндра Champion GS50100 после 2021г

Головка цилиндра Champion GS50100 после 2021г

АртикулФотоНазваниеЦенаКупить
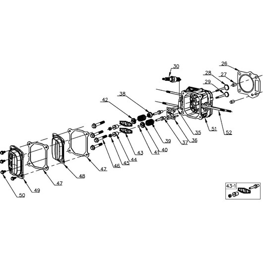
Позиция на схеме: 26Артикул: DQB002
Быстрый просмотр
Прокладка головки цилиндра G170-1VK, 200VK, 225VK2 / LM4630, 4840, 5131, 5345, 5346 / GG2200 D=70 ммЦена 149 р. В корзину
Позиция на схеме: 27Артикул: Y2260000000
Быстрый просмотр
Штифт 10х16 GS50100, GS5080
Позиция на схеме: 28Артикул: DCF007
Быстрый просмотр
Клапан впускной G170-1VK, 210-1HK / BC8716 / GG3301 / IGG3200, 3600 см. 3048050500100
Посмотреть аналог
Цена 169 р. В корзину
Позиция на схеме: 29Артикул: DAF007
Быстрый просмотр
Клапан впускной G200-1HK /Клапан выпускной D-24 LM4630 LM4840 LM5130 LM5131 LM5345 GS5080 GS50100 ( аналог см 75170040000 см 75190020000)
Посмотреть аналог
Цена 175 р. В корзину
Позиция на схеме: 30Артикул: F7RTC
Быстрый просмотр
Свеча зажигания IGP F7RTCЦена 145 р. В корзину Уведомить
Позиция на схеме: 35Артикул: DAF015
Быстрый просмотр
Толкатель клапана G170-1VK, 160HK-200-1HK / ST553, 556, 656, 661, 662Е, 761E, 762Е, GP52, 80, 82, GTP80 ( штанга )Цена 85 р. В корзину
Позиция на схеме: 36Артикул: DPF003
Быстрый просмотр
Направляющая толкателей клапана G170-1VKЦена 45 р. В корзину
Позиция на схеме: 37Артикул: Y2580000000
Быстрый просмотр
Шпилька крепления коромысла GS50100, GS5080
Позиция на схеме: 38Артикул: 60360130000
Быстрый просмотр
Колпачок маслосъемный LM4622 LM4627 LM4630 LM4840 LM5127 LM5130 LM5131 GS5080 GS50100Цена 105 р. В корзину
Позиция на схеме: 39Артикул: DAF012
Быстрый просмотр
Пружина клапана G170-1VK, 200-1HK, BC8716, IGG3200, 3600Цена 19 р. В корзину
Позиция на схеме: 40Артикул: DAF008
Быстрый просмотр
Сухарь выпускного клапана G170-1VK, 200-1HK, BC8716, IGG3200, 3600 см.012020001400
Посмотреть аналог
Цена 49 р. В корзину
Позиция на схеме: 41Артикул: DAF009
Быстрый просмотр
Колпачок клапана G200-1HK, BC8716, IGG3200, 3600 выпускного под коромысло см.140320001-0001
Посмотреть аналог
Цена 35 р. В корзину
Позиция на схеме: 42Артикул: DAF011
Быстрый просмотр
Сухарь впускного клапана G170-1VK, 200-1HK, BC8716, IGG3200, 3600 см.012020001500
Посмотреть аналог
Цена 49 р. В корзину
Позиция на схеме: 43Артикул: DAF004
Быстрый просмотр
Коромысло клапана G120-223H G170-1VK/BC8716 CH7648 GP50-82 GG2300,3200(EW)/LM4122(2022) комплект
Посмотреть аналог
Цена 165 р. В корзину
Позиция на схеме: 43Артикул: Y2570000000
Быстрый просмотр
Коромысло клапана GS50100, GS5080
Позиция на схеме: 44Артикул: Y2590000000
Быстрый просмотр
Гайка крепления коромысла GS50100, GS5080
Позиция на схеме: 45Артикул: Y25A0000000
Быстрый просмотр
Контргайка GS50100, GS5080
Позиция на схеме: 46Артикул: B1080W08050
Быстрый просмотр
Болт М8х50 GS50100, GS5080
Позиция на схеме: 47Артикул: DNB000
Быстрый просмотр
Прокладка крышки клапанов G170-1VK см.75720270000
Посмотреть аналог
Цена 35 р. В корзину
Позиция на схеме: 48Артикул: Y3140000000
Быстрый просмотр
Внутренняя крышка клапанов GS50100, GS5080
Позиция на схеме: 51Артикул: DQA001
Быстрый просмотр
Головка цилиндра G170-1VK
Посмотреть аналог
Цена 2 189 р. В корзину
Работаем с 2009 года
например, коленвал 245
847 товаров в магазине

Колл-центр

ПН-ПТ 10:00 - 18:00
СБ-ВС Выходной


время работы: ПН-ПТ 10:00 - 18:00, СБ-ВС Выходной

Меню

Каталог

Добавьте в корзину

Товар добавлен в корзину!